Articles récents
[Electronique] : Emetteur Hartley AM
Les vieilles radio TSF et autres radio, ne captent quasiment plus d'émissions en modulation d'amplitude (AM) en France. La dernière station en grande onde (RTL) a arrêté d'émettre en 2023. D'où l'idée d'émettre à faible puissance pour les faire renaitre!
Je vous propose un petit schéma expérimental pour réaliser un émetteur AM maison pour les gammes grande onde ou onde courte.
1) Le schéma et principe de fonctionnement
Le schéma de cet émetteur a été proposé par le Youtubeur AllAmericanFiveRadio. Vous trouverez sur sa chaine plusieurs adaptations selon différents usages. Ne disposant pas d'une bobine d'émission, j'ai opté par la version DIY, on en parlera plus tard.
Dans son principe, il s'agit d'un oscillateur dit de Hartley (Q1-L1-L2-C1-C2) qui est couplé avec un mélangeur. En effet, le signal audio traverse un filtre passe bas formé par C3-R2-R4, puis alimente la grille du transistor Mosfet IRF540N. La tension de grille module l'amplitude de l'oscillation au grés du signal audio. Le transistor Q1 combine ainsi trois fonctions amplificateur-oscillateur-mélangeur/modulateur.
2) Mise en pratique
2.1) Réalisation du schéma
J'ai réalisé ce schéma sur breadboard sans trop prendre de soin. Le circuit fonctionne mais reste très sensible aux perturbations électromagnétiques (bruit) extérieurs notamment provoquées par l'alimentation à découpage de mon bandeau leds.
![]() |
![]() |
![]() |
![]() |
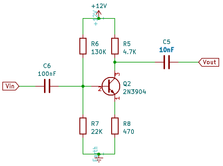
2.2) Pré amplification
Le circuit fonctionne mais la puissance reste très relative, le poste radio ne reçoit plus rien à deux mètres. (Peut-être par la piètre mon antenne qui est un bête cable de 4m...) D'où l'idée de réaliser une petite pré amplification en amont de l'émetteur. J'ai réalisé le schéma ci-dessous pour cet étage de pré-amplification.
La sortie de lecteur MP3 était faiblarde et j'avais besoin d'appliquer un facteur 10 en entrée de l'IRF540N d'où l'idée d'utiliser un transistor. Concernant le gain de mon étage, le schéma équivalent en alternatif.

On a :
Ve=h11ib+Re(h21ib+ib)
Vs=-Rch21ib
Donc G=Vs/Ve=-Rch21ib/(h11ib+Re(h21ib+ib)) avec h11 qui est négligeable et h21 qui est supérieur à 100
Soit un gain G?-Rc/Re dans notre cas G=4700/470=10 A l'oscilloscope on observe bien le gain attendu.

Et pour le signal sonore tout va bien!

Avec 0.0052% de distortion jusqu'à 500mVpp en entrée, il fait parfaitement le job!

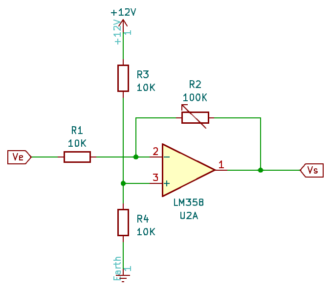
2.3) Pré amplification avec un amplificateur différentiel
Autre solution pour ce petit amplificateur, l'amplificateur différentiel évidemment. Il présente l'avantage d'avoir une excellente adaptation d'impédance et une simplicité de réalisation.
On a Vs=-(R2/R1)Ve avec R2 est un potentiomètre de 100K, R1 est une résistance de 10K qui permet un gain variable de 0 à 10 pour ce circuit.
2.4) Réalisation seconde version
Réaliser un circuit HF sur breadboard, ce n'est pas vraiment idéal. Aussi, j'ai opté pour fabriquer l'étage de préamplification BF sur protoboard et le circuit HF en Manhattan Style. Et bien, le résultat est bluffant...
Pour la fabrication de la plaque en Manhattan Style, j'ai choisi la version CMS/SMD du transistor MOSFET IRF540 et des MeSQUAREs collés à la superglue.

A l'oscilloscope on observe une belle oscillation modulée sur le drain.
Conclusion
Mon petit émetteur AM est fonctionnel et efficace jusqu'à 10m (sans antenne) avec une radio classique. Très simple à réaliser, n'hésitez pas!
© 2025 www.doritique.fr par Robert DORIGNY