Articles récents
Electronique : Onduleur/inverter Royer vs Baxandall
Les onduleurs (ou inverter en anglais) sont utilisés pour produire un courant de forme différente de celle d'origine. Evidemment, l'usage le plus courant d'un onduleur est de fournir un courant alternatif à partir d'un courant continu.
Je vous propose d'étudier un petit module inverter boost, bien loin des onduleurs basés sur des pont en H qui reconstruisent un signal sinusoïdal avec des IGBT ou des thyristors.
1) Le module
J'ai acheté un petit module inverter boost 12V CC --> 220V AC de 40W max pour quelques euros. Et en effet, il fournit un signal sinusoïdal.
![]() |
![]() |
Le multimètre Fluke est perturbé par la fréquence de 37Khz, mais le Siglent de table mesure la bonne valeur.
Seule différence, et pas des moindres, la fréquence est de l'ordre de 40khz. On est assez loin des 50hz du secteur. Mais de ma compréhension, cette grande fréquence n'est pas réellement un problème puisque que les alimentations électriques de nos équipements réalisent une régulation de tension/courant indépendante de la fréquence du signal d'entrée.
Alors testons-le sur une petite alimentation flyback de téléphone pour vérifier que cela fonctionne toujours... Et oui, cela fonctionne très bien. Donc, pas tellement d'impact pour cette grande fréquence en sortie de mon inverter.
![]() |
![]() |
Puis sur une simple ampoule pour voir si elle tient la charge.
![]() |
![]() |
2) Principe de fonctionnement
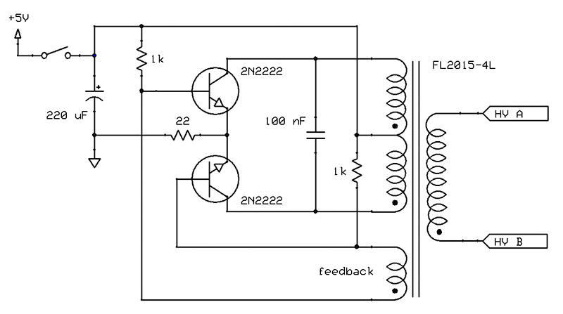
Comme vous vous en doutez, je ne vais pas réinventer la roue. Mais j'aime bien comprendre les principes physique qui la font rouler! :-) Alors, comment ce module fonctionne t'il?Initialement, je pensais à un oscillateur Royer. Mais c'est en faisant la rétro ingénierie du PCB, que je me suis vite aperçu que mon schéma ne correspondait pas vraiment au schéma classique d'un oscillateur Royer.
2.1) Onduleur basé sur un oscillateur de Royer

Cette oscillation du primaire est exploitée au secondaire par une topologie boost converter, et surtout par un transformateur spécifique, qui a pour effet de fournir une tension plus haute (220V pour mon module).
On trouve d'autres topologies de ce schéma, un exemple avec un push pull.

Le circuit de Royer repose sur la saturation du noyau du transformateur pour provoquer la commutation des transistors entre les deux états (passant ou bloqué) grâce à une bobine primaire reliée à leur base.
2.2) Onduleur basé sur un oscillateur de Baxandall
Le circuit de Baxandall est une amélioration du circuit de Royer. L'objectif étant d'avoir une sortie sinusoïdale plus conforme à la tension du secteur, et d'éviter les fronts raides du signal de sortie du schéma Royer précédent, qui sont source de nombreuses harmoniques. La différence vient de l'ajout d'une inductance L1 en entrée et d'un condensateur C1.
Essayons, un peu de comprendre pourquoi nous avons ce signal sinusoïdal. Prenons le cas ou Q1 est passant et Q2 bloqué. Alors, nous avons un circuit LC (je néglige la résistance pour simplifier) qui fonctionne en régime transitoire.

VCC=Vl(t)+Vc(t)
VCC=Ldi/dt+Vc(t) or i=CdVc(t)/dt
Donc:
VCC=LCd2Vc(t)/dt2+Vc(t)
Soit l'équation différentielle suivante : LCd2Vc(t)/dt2+Vc(t)-VCC=0 .
La solution mathématiques de cette équation est de la forme : Vc(t)=Asin(t/√(LC)+φ) avec T=2π√(LC). Lors de la demi-période, Q1 passant et Q2 bloqué, on a une demi-période sinusoïdale de fréquence f=1/(2π√(LC)). Lorsque les transistors basculeront, nous aurons la seconde demi-période et ainsi de suite. Si vous souhaitez plus de précision, vous trouverez ici, un document de la conférence de 1959 (par PJ Baxandall) qui décrit ce fonctionnement assez clairement.
Conclusion
Voilà pour ce petit module qui était intéressant à évoquer. Notamment, dans les différentes topologies des oscillateurs Royer.Ok, mais ça sert à quoi ce truc? Et bien, j'ai acheté un petit panneau solaire (10W) et je compte recharger une batterie Lithium 12V avec un convertisseur buck/boost. Ce type de module inverter pourrait proposer également une sortie 220V alternative comme option de ma bidouille, en limitant la puissance à 40W. Bref, on en recause...
© 2025 www.doritique.fr par Robert DORIGNY